当前位置: 首页 > 京东方
-
京东方成功产出钙钛矿光伏行业首片 1.2m*2.4m 最大尺寸组件,用于太阳能电池领域
本站10月20日消息,合肥京东方光能科技有限公司于10月18日宣布成功产出钙钛矿光伏行业首片1.2m*2.4m最大尺寸组件(38天全线贯通),该组件主要应用于太阳能电池等领域。京东方表示,其三大研发平台均已进入行业一流梯队,实现自主调试全自动智能化产线,掌握干法镀膜工艺,目前其手套箱冠军效率25.6%(世界纪录26.7%)、实验线冠军效率20.63%(世界纪录22.57%)。▲图源京东方另据本站9月26日报道,京东方宣布其国内首条第8.6代AMOLED生产线提前全面封顶,从开工到封顶仅用183天
硬件新闻 4652024-10-21 22:03:01
-
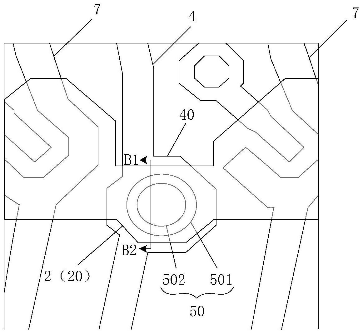
京东方“驱动电路、显示面板和显示装置”专利公布
天眼查显示,成都京东方光电科技有限公司“驱动电路、显示面板和显示装置”专利公布,申请公布日为2024年9月24日,申请公布号为CN118692416A。重写后的内容:本实施例提供一种驱动电路、显示面板和显示装置,其特征在于:驱动电路:具有多个驱动单元,一一对应于像素行每个驱动单元包含:第一输出子电路,连接至控制信号输出端第二输出子电路,连接至交流信号端和控制信号输出端第三输出子电路,连接至移位传递信号输出端工作原理:在时刻t0,移位传递信号输出端输出高电平信号,而控制信号输出端输出低电平信号。此
人工智能 8612024-10-21 08:00:21
-
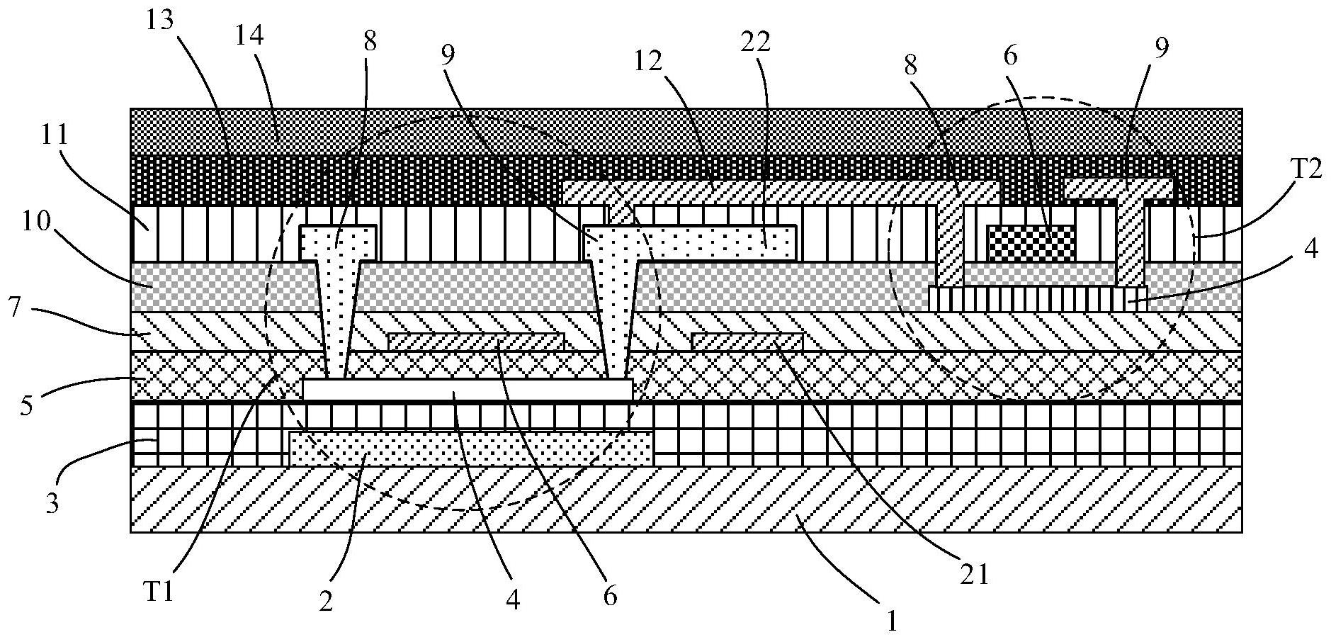
京东方“衬底基板、显示基板以及光探测基板”专利获授权
天眼查显示,京东方科技集团股份有限公司近日取得一项名为“衬底基板、显示基板以及光探测基板”的专利,授权公告号为CN114361218B,授权公告日为2024年9月24日,申请日为2021年12月27日。1.衬底基板包括:衬底光敏晶体管,位于衬底上,其第一源漏电极层连接到偏压信号端光敏晶体管的活性层包含光敏材料输出电路位于衬底上,包括一个或多个晶体管,并且:与光敏晶体管的第二源漏电极层和读取信号端连接根据光敏晶体管第二源漏电极层的电位向读取信号端输出信号本申请能够实现光电检测。
人工智能 7032024-10-20 09:24:13
-
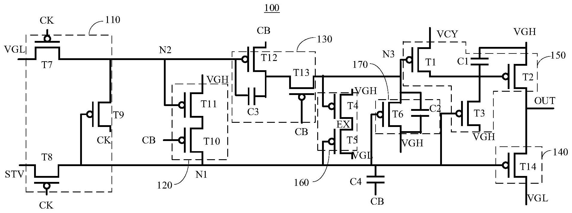
京东方“一种显示基板和显示装置”专利获授权
天眼查显示,北京京东方显示技术有限公司近日取得一项名为“一种显示基板和显示装置”的专利,授权公告号为CN115145418B,授权公告日为2024年9月24日,申请日为2021年3月31日。重写后的文字:本申请涉及显示技术领域,公开一种显示基板和显示装置,旨在解决TDDI显示产品的显示功能缺陷。显示基板包含以下层:衬底基板依次设置在衬底基板上的:第一导电层(包含多个栅线)第一绝缘层第二导电层(包含多个触控电极走线)第二绝缘层第三导电层其中,触控电极走线在衬底基板上的投影与栅线在衬底基板上的投影交
人工智能 4352024-10-19 09:21:19
-
iQOO 13搭载2K Q10珠峰屏:全球首发京东方Q10发光材料
10月16日消息,iQOO手机今日官宣,iQOO携手京东方为iQOO13联合定制2KQ10珠峰屏。据官方透露,iQOO13将全球首次采用京东方创新的Q10发光材料,这一突破性技术不仅在亮度、色彩饱和度上实现了显著提升,同时在功耗控制及屏幕寿命方面也迎来了全面飞跃,为用户带来前所未有的视觉盛宴与持久耐用的使用体验。1.令人振奋的是,iQOO13将首发安卓手机中的OLED圆偏振光护眼技术,开启硬件级护眼新时代,为用户提供更舒适、更健康的屏幕体验。2.iQOO13即将在本月底正式亮相,其配置不容小觑。
手机新闻 9642024-10-16 22:19:13
-
国产柔性OLED面板市场大爆发:国产化率逼近98.2%
10月4日消息,2024年第二季度全球柔性OLED面板市场出货量达到了1.6亿片,同比大幅增长39.9%,环比增长17.5%,占整体OLED智能机面板市场的72.2%。其中,国产柔性OLED面板出货量约为9,400万片,同比激增79.0%,表现尤为亮眼。随着国产柔性OLED面板订单量的增加,国内厂商的市场份额正在迅速增长,占比已达58.9%,首次超越韩系厂商。京东方和华星分别以28.1%和26.7%的市场份额占据国产品牌的第一和第二位。与此同时,三星的市场份额降至1.8%,国产柔性OLED面板的
手机新闻 7662024-10-06 08:27:19
-
iQOO 13三证齐全:2K直屏 首发BOE最新一代发光材料!
9月28日消息,据博主数码闲聊站爆料,iQOO13目前已经三证齐全,静待发布了。新机支持120W超级闪充,是首批骁龙8Gen4机型中最快闪充,电池容量超过6000mA。iQOO13屏幕升级亮点全球首发BOE最新一代发光材料全局峰值亮度提升12.5%寿命提升33%功耗降低10%极端温度环境下偏色减轻50%以上显示效果提升护眼技术优化户外亮度增强操控体验升级其他信息采用2K直屏方案定位顶级直屏旗舰1.骁龙8Gen4性能强劲,首次采用台积电3nm工艺,不再使用Arm公版架构方案,转而采用自研的Nuvi
手机新闻 5462024-09-29 20:36:29
-
首发供应!博主确认iPhone 16 Pro有京东方屏幕
9月24日消息,日前,博主“麦子俊i”发文称,确认iPhone16Pro有BOE(京东方)屏幕,配件开头号为G9P/G9N,16ProMax目前没有使用京东方屏幕。另外,该博主还透露iPhone17标准版将支持高刷,由京东方主力供屏。fenye1.薛定谔的英短咕咕咕博主发现一台首发iPhone16Pro屏幕波峰461nm,排列方式只在京东方上见过。该博主指出,可以基本认为国产的京东方屏幕进入iPhone面板供应首发序列。不过,不排除别的厂商被苹果要求,按照京东方过去出现过的蓝光中心
手机新闻 18032024-09-24 22:49:00
-
京东方 MLED 生产基地落户珠海,预计明年一季度全面量产
京东方珠海MLED项目启动项目概况总投资约10亿元由京东方晶芯科技和京东方华灿光电共同设立厂房面积4万多平方米项目进度9月开工建设12月底完成设备搬入2025年第一季度实现MLED直显产品点亮和全面量产项目特色设立LED混固平台实现业内首条圆片混固工艺路线的打通致力于打造国际最高竞争力的COB、SMD、COG生成基地应用场景商用及民用多个领域京东方业绩表现2024上半年营业收入933.9亿元,同比增长16.47%归属于上市公司股东的净利润22.8亿元,同比增长210.41%
IT新闻 12982024-09-12 08:20:26
-
国内首条第 8.6 代 AMOLED 生产线冲刺年底封顶,京东方计划 2026 年量产
本站9月5日消息,据成都日报今日报道,位于成都高新西区的京东方第8.6代AMOLED生产线项目B/C标段主体结构已封顶,周围其他标段施工正加快推进。1.京东方第8.6代AMOLED生产线总投资630亿元,设计产能每月3.2万片玻璃基板(尺寸2290mm×2620mm),主要生产笔记本电脑、平板电脑等智能终端高端触控OLED显示屏。预计今年年底主体封顶,计划2026年5月产品点亮,2026年10月量产,2029年满产。投产后,成都将成为全国最大柔性面板生产基地。京东方4.5代液晶面板生产线2007
IT新闻 8412024-09-07 18:44:17
-
一加13全球首发!李杰官宣第二代东方屏:手机屏幕天花板
9月4日消息,今天,一加科技李杰宣布,第二代东方屏将在10月正式亮相,由一加手机全球首发。虽然李杰并未公布一加机型,但是很明显,首发第二代东方屏的将是一加13。1.李杰表示,去年这个时候,我在重庆京东方的产线上见证了第一块东方屏下产线。一加东方屏让全球的用户感受到了中国屏幕的闪耀与震撼,这块首次获得DisplayMateA+评级的国产2K屏至今仍是业内的屏幕天花板,中国人从此登上了屏幕的珠穆朗玛峰。现在,一加与京东方再次携手,共同把屏幕素质、高亮显示、护眼体验推向了行业新巅峰,将东方屏打造成世界
手机新闻 7672024-09-07 14:22:02
-
最新 AMOLED 面板市占率 TOP6 你手机用的哪家屏?
近日研究机构TrendForce集邦咨询发布了AMOLED手机面板的分析报告。报告显示:预估2024年AMOLED手机面板出货量将突破8.4亿片,较2023年增长近25%。而由于各大手机品牌逐渐提升AMOLED手机面板的使用比例,所以预计将进一步带动2025年的出货量超过8.7亿片,年增为3.2%。具体全球市占率TOP6的AMOLED手机面板厂商依次是:①SDC(三星显示)②BOE(京东方)③Visionox(维信诺)④TM(天马)⑤CSOT(华星光电)⑥LGD(LG显示)。报告还提到:京东方B
硬件测评 13152024-09-07 11:09:01
-
京东方发布新一代 ADS Pro+MLED 背光显示解决方案,支持 500Hz 刷新率、1000nits + 全屏亮度
本站9月6日消息,9月5日,2024年京东显示器行业峰会在北京举办,京东方在本次活动发布新一代ADSPro(高端LCD显示技术解决方案)+MLED背光显示解决方案,并联合京东启动高端显示器示范推广项目。京东方全新显示技术解决方案该解决方案支持:高达500Hz刷新率GTG1ms响应速度背光动态响应时间低于1ms画质表现:高度集成的MLED背光1000000:1超高对比度1000nits+超高全屏亮度超高MLED分区实现超精细精准控光DCI-P3及AdobeRGB双100%超广色域ADSPro加持接
IT新闻 7782024-09-06 16:30:32
-
BOE 第二代东方屏 10 月正式亮相,一加手机全球首发
感谢网友Mo_Onster、独立摄影师的线索投递!9月4日消息,今天是京东方全球创新伙伴大会,第二代东方屏将于10月正式亮相。一加在现场宣布,第二代东方屏将由一加手机全球首发。一加中国区总裁李杰在微博上表示,与京东方再次携手,共同把屏幕素质、高亮显示、护眼体验推向了“行业新巅峰”。一加13预计规格:性能:高通骁龙8Gen4处理器屏幕:2K8TLTPO等深微曲直屏电池:6000mAh电池+100W有线充电+50W无线充电影像:后置三摄均为50MP,采用LYT808主摄+IMX882超广角+IMX8
手机新闻 5832024-09-05 18:06:02
-
曝京东方X2等深微曲屏出货:OPPO Find X8系列全球首发
8月21日消息,博主数码闲聊站爆料,欧加系新旗舰将首发采用京东方X2等深微曲屏,有1.5K和2K两种分辨率。其中1.5K由OPPOFindX8Pro首发,2K由一加13全球首发,这将是京东方最好的手机屏幕之一。数码闲聊站还提到,京东方X2屏幕在全屏显示一致性、色准、护眼、亮度等方面都有不同程度的升级,还有OPPO自研技术加持。另外,这块屏幕采用8TLTPO技术,相对于7TLTPO,前者增加了一组像素复位晶体管电路,提高了像素更新频率。其带来的优势是支持刷新率直接切频,在1Hz刷新率下,当手触碰屏
手机新闻 5432024-08-22 10:15:10
-
京东方供货!一加13屏幕敲定
8月14日消息,博主数码闲聊站爆料,OPPO开案了3块屏幕,分别是1.5K小直屏、1.5K等深微曲屏和2K等深微曲屏。其中2K等深微曲屏将应用到OPPOFindX8Ultra以及一加13上,由京东方提供。1.一加13搭载2K等深微曲屏,尺寸为6.8英寸,分辨率为3168×1440。相比传统双曲面屏,等深微曲屏不仅微曲,且四面等窄。微曲的同时做到四等窄,这意味着它的四个R角弯曲度几乎相等,避免了传统曲面屏的"猫耳朵"问题。全新形态具备直屏的精准触控和清晰显示,兼具曲面屏的优雅外观和舒适握持感,在
手机新闻 11462024-08-14 17:22:07
社区问答
-
vue3+tp6怎么加入微信公众号啊
阅读:4874 · 6个月前
-
老师好,当客户登录并立即发送消息,这时候客服又并不在线,这时候发消息会因为touid没有赋值而报错,怎么处理?
阅读:5930 · 6个月前
-
RPC模式
阅读:4966 · 7个月前
-
insert时,如何避免重复注册?
阅读:5761 · 9个月前
-
vite 启动项目报错 不管用yarn 还是cnpm
阅读:6362 · 10个月前
最新文章
-
Excel宏录制方法_Excel自动化操作基础教程
阅读:915 · 4小时前
-
windows11文件无法删除提示被占用怎么解决_windows11文件占用无法删除修复办法
阅读:923 · 4小时前
-
石墨文档如何导入PPT演示文稿_石墨文档演示功能的操作
阅读:644 · 4小时前
-
HTML5怎么制作下拉刷新_HTML5下拉刷新功能实现
阅读:435 · 4小时前
-
JavaScript安全漏洞与防护策略
阅读:823 · 4小时前
-
win11如何设置电脑永不休眠 win11电脑永不休眠设置方法
阅读:605 · 4小时前
-
VS Code终极指南:从安装配置到高效工作流实战
阅读:830 · 4小时前
-
phpcms异步怎么处理?异步任务如何实现执行?
阅读:623 · 4小时前
-
腾讯元宝AI在线试用入口 腾讯元宝网页版快速入口
阅读:629 · 5小时前
-
html5文件如何实现自定义上传路径 html5文件后端接口的路径参数
阅读:428 · 5小时前


